TY減速機是一種高效穩定的機械減速裝置,可用于各種領域的機械設備中,如冶金、化工、建筑材料、輕工、制藥、食品加工等。
1. TY減速機的基本構造
TY減速機主要由輸入軸、輸出軸、齒輪箱、潤滑系統和出力端底座等部分組成。齒輪箱包含高強度合金齒輪,并有良好的“減震、消聲、重載”等特性。
2. TY減速機的工作原理
通過輸入軸輸入動力,驅動齒輪箱中的齒輪旋轉,使輸出軸得以轉動,并對設備進行動力傳遞。減速機的齒輪大小比和齒數,決定了減速機輸出軸的轉速和扭矩。
3. TY減速機的優點
TY減速機主要具有啟動扭矩大、工作穩定、可靠性高、壽命長等特點。其減速比、精度、重載能力、降噪效果都得到相應提升,極大地提升了設備的達標流暢性。
4. TY減速機的應用范圍
TY減速機廣泛應用于各種工業生產中,可用于卷繞機、機床、冶金機械、化工設備、輸送設備、攪拌機、造紙機、風機、水泵、重型機械等領域。
5.適用范圍
配用Y系列三相異步電機,輸入轉速1500r/min,電機安裝形式為B5或B35(對配用6級電機、變速調速電機、防爆電機等作非標形式具體協商);
用于水平或前后傾角不大于20°位置安裝;
環境溫度為-40~45℃。低于0℃時啟動前應予熱潤滑油至8℃以上。高于45℃時應結合熱功率校核,采取相應措施。
TY減速機的標記代號中包括減速機型號、公稱中心距、公稱傳動比和公稱輸入功率。
6.TY減速機標記示例:
7. TY減速機的未來發展方向
將會繼續注重產品的創新和技術研發,在保持傳統優勢的基礎上,加強生產工藝和物流配送,爭取更快、更優質的服務,為全球用戶提供更加豐富的機械減速裝置產品。
綜上所述,TY減速機在工業生產和機械領域中扮演著重要角色,并且正在快速成長。未來將會有更多應用場景和需求產生,相信TY減速機會不斷迭代和優化,成為行業的技術領跑者。
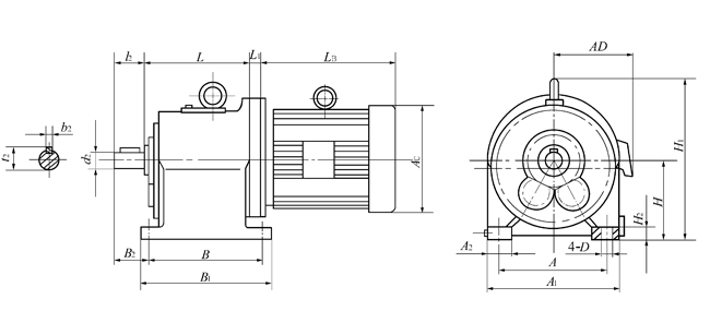
TY系列同軸式硬齒面減速機外形尺寸 ZBJ19009-88 單位:mm
規格 | d2 (m6) | l2 | b2 | t2 | H | L | H1 | B2 | B | B1 | A | A1 | A2 | H2 | D | 重量 ≈(kg) | 潤滑油量 ≈I |
50 | 24 | 36 | 8 | 27 | 112 | 178 | 230 | 47 | 180 | 220 | 160 | 200 | 40 | 25 | 12 | 28 | 0.6 |
63 | 25 | 42 | 8 | 28 | 132 | 206 | 271 | 60 | 205 | 245 | 160 | 200 | 40 | 25 | 14.5 | 35 | 0.9 |
80 | 35 | 58 | 10 | 38 | 180 | 242 | 362 | 81 | 240 | 290 | 210 | 260 | 50 | 30 | 18.5 | 47 | 1.6 |
100 | 45 | 82 | 14 | 48.5 | 200 | 261 | 398 | 103 | 275 | 330 | 260 | 320 | 60 | 40 | 24 | 69 | 1.8 |
112 | 50 | 82 | 14 | 53.5 | 225 | 273 | 439 | 98 | 285 | 350 | 285 | 350 | 65 | 40 | 24 | 92 | 2.5 |
125 | 55 | 82 | 16 | 59 | 250 | 295 | 480 | 99 | 320 | 390 | 310 | 385 | 75 | 50 | 28 | 104 | 3.1 |
140 | 65 | 105 | 18 | 69 | 265 | 332 | 492 | 127 | 350 | 420 | 350 | 420 | 75 | 50 | 35 | 163 | 3.8 |
160 | 75 | 105 | 20 | 79.5 | 315 | 337 | 585 | 118 | 385 | 480 | 380 | 480 | 100 | 60 | 42 | 193 | 5.9 |
180 | 85 | 130 | 22 | 90 | 355 | 368 | 638 | 141 | 405 | 500 | 425 | 535 | 110 | 70 | 42 | 269 | 7.5 |
200 | 95 | 130 | 25 | 100 | 375 | 394 | 686 | 147 | 425 | 530 | 480 | 590 | 110 | 70 | 42 | 330 | 9.2 |
224 | 100 | 165 | 28 | 106 | 425 | 430 | 795 | 185 | 460 | 560 | 515 | 655 | 140 | 80 | 48 | 449 | 12 |
250 | 110 | 165 | 28 | 106 | 475 | 472 | 875 | 191 | 480 | 580 | 585 | 725 | 140 | 80 | 48 | 623 | 18.3 |
注:1、重量不包括電機重量。2、尺寸LB、AC、AD根據直聯的電機,查相應的電機尺寸。
長度尺寸L1 單位:mm
規格 | 電機型號 | ||||||||||
Y80 | Y90 | Y100 | Y112 | Y132 | Y160 | Y180 | Y200 | Y225 | Y250 | Y280 | |
50 | 0 | 0 | — | — | — | — | — | — | — | — | — |
63 | 0 | 0 | — | — | — | — | — | — | — | — | — |
80 | — | —3 | 0 | 0 | — | — | — | — | — | — | — |
100 | — | —10 | 0 | 0 | 5 | — | — | — | — | — | — |
112 | — | —16 | -6 | —46 | 0 | 30 | 30 | — | — | — | — |
125 | — | — | -10.5 | —10.5 | 0 | 22 | 22 | — | — | — | — |
140 | — | — | -9.5 | —9.5 | 0 | 22 | 22 | 22 | — | — | — |
160 | — | — | —16 | —16 | —11 | 17 | 17 | 17 | 47 | — | — |
180 | — | — | —14 | —14 | —13 | 16 | 16 | 16 | 45 | — | — |
200 | — | — | —24 | —24 | —19 | 9 | 9 | 9 | 39 | 39 | 39 |
224 | — | — | — | — | —19 | 0 | 0 | 0 | 22 | 22 | 22 |
250 | — | — | — | — | —21 | —14 | —14 | -14 | 16 | 16 | 16 |
注:表中帶負號者,其數值為電機凹入減速器的長度值。
TY系列同軸式硬齒面減速機選型方法
減速機的承載能力受機械強度和熱功率兩方面的限制,選用時必需同時通過兩個功率表。
選用的幾個系數
1、工況系數KA(表1)
2、安全系數KS(表2)
3、環境溫度系數f1(表3)
4、負荷率系數f2(表4)
5、公稱功率利用系數f3(表5)
工況系數KA(表1)
每日工作小時數 | 均勻載荷U類 | 中等沖擊載荷M類 | 強沖擊載荷H類 |
~3 | 0.8 | 1 | 1.5 |
>3~10 | 1 | 1.25 | 1.75 |
>10 | 1.25 | 1.5 | 2 |
安全系數KS(表2)
因減速器失 效所造成的 后果 | 一般損失 | 嚴重損失 | 重大損失 |
單臺主機停產,主要設備 不能運行等 | 整條生產線停產、設備 損壞等。 | 人身傷亡、電廠停電、鋼包停澆、起 吊裝置失靈等。 | |
安全系數KS | 1.3~1.5 | 1.6~1.8 | 1.8~2 |
環境溫度系數f11(表3)
冷卻條件 | 環境溫度t ℃ | ||||
10 | 20 | 30 | 40 | 50 | |
f1 | |||||
無冷卻 | 0.9 | 1 | 1.15 | 1.35 | 1.65 |
冷卻管冷卻 | 0.9 | 1 | 1.1 | 1.2 | 1.3 |
負荷率系數f2(表4)
小時負荷率 | 100% | 80% | 60% | 40% | 20% |
負荷系數f2 | 1 | 0.94 | 0.86 | 0.74 | 0.56 |
公稱功率利用系數f3(表5)
P2/P1×100% | 40% | 50% | 60% | 70% | 80%~100% |
f3 | 1.25 | 1.15 | 1.1 | 1.05 | 1 |
TY系列同軸式硬齒面減速機公稱輸入功率P1(按機械強度計算)
公稱 傳動比 i | 公稱轉速(r/min) | 規 格 | ||||||||||||
輸入 n1 | 輸出 n2 | 50 | 63 | 80 | 100 | 112 | 125 | 140 | 160 | 180 | 200 | 224 | 250 | |
公稱輸入功率P1(kW) | ||||||||||||||
3.55 | 1500 | 425 | 5.5 | 10 | 22 | 48 | 62 | 79 | 110 | 155 | 190 | 280 | 348 | 470 |
1000 | 280 | 3.7 | 6.7 | 15 | 32 | 42 | 53 | 74 | 105 | 127 | 195 | 240 | 314 | |
750 | 210 | 2.8 | 5.1 | 12 | 24 | 32 | 40 | 56 | 80 | 96 | 148 | 181 | 238 | |
4 | 1500 | 375 | 5.1 | 8.5 | 20 | 40 | 59 | 70 | 106 | 150 | 186 | 273 | 325 | 435 |
1000 | 250 | 3.5 | 5.7 | 14 | 27 | 40 | 48 | 71 | 100 | 125 | 184 | 220 | 308 | |
750 | 187 | 2.6 | 4.3 | 11 | 21 | 30 | 36 | 55 | 76 | 94 | 140 | 167 | 230 | |
4.5 | 1500 | 335 | 4.8 | 8.3 | 17 | 36 | 56 | 65 | 100 | 135 | 182 | 258 | 318 | 420 |
1000 | 220 | 3.3 | 5.6 | 12 | 24 | 38 | 45 | 70 | 90 | 123 | 175 | 216 | 293 | |
750 | 166 | 2.4 | 4.2 | 9.2 | 18 | 29 | 34 | 53 | 68 | 93 | 133 | 165 | 221 | |
5 | 1500 | 300 | 4.5 | 8.1 | 15 | 32 | 50 | 64 | 94 | 125 | 176 | 243 | 315 | 410 |
1000 | 200 | 3.1 | 5.4 | 10 | 22 | 34 | 44 | 64 | 84 | 120 | 164 | 212 | 286 | |
750 | 150 | 2.3 | 4.1 | 7.5 | 17 | 26 | 33 | 48 | 64 | 89 | 125 | 161 | 217 | |
5.6 | 1500 | 270 | 4.2 | 7.9 | 14 | 30 | 46 | 60 | 78 | 114 | 173 | 225 | 313 | 393 |
1000 | 180 | 2.8 | 5.2 | 9.5 | 20 | 31 | 42 | 55 | 80 | 116 | 148 | 210 | 277 | |
750 | 134 | 2.1 | 4.0 | 7.1 | 15 | 24 | 31 | 41 | 60 | 92 | 117 | 158 | 206 | |
6.3 | 1500 | 240 | 3.8 | 7.6 | 11 | 26 | 40 | 53 | 72 | 100 | 170 | 211 | 301 | 390 |
1000 | 160 | 2.5 | 5.1 | 7.5 | 18 | 27 | 36 | 51 | 68 | 104 | 146 | 206 | 265 | |
750 | 120 | 2.0 | 3.8 | 5.7 | 14 | 21 | 27 | 38 | 52 | 79 | 113 | 157 | 200 | |
7.1 | 1500 | 210 | 3.5 | 7.0 | 10 | 23 | 35 | 48 | 68 | 90 | 135 | 196 | 252 | 361 |
1000 | 140 | 2.4 | 4.8 | 6.8 | 16 | 24 | 33 | 46 | 60 | 93 | 133 | 170 | 243 | |
750 | 106 | 1.8 | 3.6 | 5.2 | 12 | 18 | 25 | 35 | 46 | 72 | 101 | 130 | 185 | |
8 | 1500 | 185 | 3.0 | 6.3 | 9.5 | 20 | 32 | 42 | 62 | 87 | 120 | 157 | 238 | 326 |
1000 | 125 | 2.1 | 4.2 | 6.4 | 14 | 21 | 29 | 42 | 59 | 83 | 108 | 161 | 220 | |
750 | 94 | 1.6 | 3.3 | 4.9 | 11 | 16 | 22 | 32 | 45 | 64 | 83 | 122 | 170 | |
9 | 1500 | 167 | 2.7 | 5.1 | 9.0 | 16 | 27 | 38 | 55 | 76 | 107 | 146 | 206 | 280 |
1000 | 111 | 1.9 | 3.4 | 6.1 | 11 | 18 | 26 | 37 | 52 | 73 | 100 | 141 | 191 | |
750 | 83 | 1.4 | 2.7 | 4.6 | 8.3 | 14 | 20 | 28 | 40 | 56 | 78 | 129 | 146 | |
10 | 1500 | 150 | 2.3 | 4.3 | 8.4 | 15 | 23 | 32 | 49 | 64 | 98 | 123 | 177 | 244 |
1000 | 100 | 1.6 | 2.9 | 5.7 | 10 | 17 | 22 | 33 | 43 | 67 | 89 | 120 | 165 | |
750 | 75 | 1.2 | 2.2 | 4.3 | 7.6 | 13 | 17 | 25 | 33 | 52 | 69 | 95 | 126 | |
11.2 | 1500 | 134 | 2.2 | 3.9 | 7.7 | 14 | 20 | 30 | 40 | 58 | 86 | 118 | 168 | 222 |
1000 | 89 | 1.5 | 2.8 | 5.1 | 9.5 | 14 | 21 | 28 | 39 | 59 | 80 | 115 | 151 | |
750 | 67 | 1.2 | 2.1 | 3.9 | 7.2 | 11 | 16 | 21 | 30 | 46 | 63 | 88 | 116 | |
12.5 | 1500 | 200 | 1.9 | 3.6 | 7.0 | 13 | 19 | 26 | 37 | 54 | 77 | 111 | 146 | 202 |
1000 | 80 | 1.3 | 2.5 | 4.7 | 8.8 | 13 | 17 | 25 | 37 | 52 | 75 | 99 | 137 | |
750 | 60 | 0.96 | 1.9 | 3.7 | 6.8 | 10 | 14 | 19 | 28 | 40 | 59 | 76 | 105 | |
14 | 1500 | 107 | 1.8 | 3.2 | 5.9 | 11 | 16 | 23 | 35 | 47 | 68 | 94 | 130 | 186 |
1000 | 71 | 1.2 | 2.2 | 4.0 | 7.8 | 12 | 16 | 23 | 32 | 47 | 65 | 89 | 125 | |
750 | 54 | 0.9 | 1.7 | 3.1 | 6.8 | 9.1 | 12 | 18 | 25 | 37 | 50 | 68 | 95 | |
16 | 1500 | 94 | 1.6 | 2.9 | 5.0 | 10 | 14 | 21 | 28 | 44 | 59 | 74 | 112 | 153 |
1000 | 62 | 1.1 | 1.9 | 3.5 | 6.7 | 9.6 | 15 | 19 | 30 | 41 | 51 | 78 | 106 | |
750 | 47 | 0.82 | 3.5 | 2.6 | 5.2 | 7.1 | 11 | 15 | 23 | 32 | 40 | 60 | 81 | |
TY系列同軸式硬齒面減速機承載能力(按機械強度計算)
按機械強度計算的,選用系數K=1.5,2,3時的配用電機功率P1
選用系數K=1.5 電機同步轉速:n1=1500r/min
公稱 傳動比 i | 規 格 | |||||||||||
50 | 63 | 80 | 100 | 112 | 125 | 140 | 160 | 180 | 200 | 224 | 250 | |
公稱輸入功率P1(kW) | ||||||||||||
14 | 1.1 | 1.5 | 4 | 7.5 | 11 | 15 | 22 | 30△ | 45△ | 55△ | 90△ | - |
16 | 1.1 | 1.5 | 3 | 5.5 | 11 | 15 | 18.5 | 22 | 37△ | 55△ | 75△ | - |
18 | 1.1 | 1.5 | 3 | 5.5 | 11 | - | 15 | 22 | 37△ | 45△ | 55△ | 90△ |
20 | 0.75 | 1.5 | 2.2 | 5.5 | 7.5 | 11 | 15 | 22 | 30 | 37 | 55△ | 75△ |
22.4 | 0.75 | 1.5 | 2.2 | 4 | 7.5 | 11 | - | 18.5 | 30 | 37 | 55△ | 75△ |
25 | 0.75 | 1.1 | 2.2 | 4 | 5.5 | 7.5 | 11 | 15 | 22 | 37 | 45 | 55 |
28 | 0.75 | 1.1 | 2.2 | 4 | 5.5 | 7.5 | 11 | 15 | 22 | 30 | 45 | 55 |
31.5 | - | 0.75 | 1.5 | 3 | 5.5 | 7.5 | 11 | 15 | 22 | 30 | 37 | 55 |
35.5 | - | 0.75 | 1.5 | 3 | 4 | 5.5 | 7.5 | 11 | 18.5 | 22 | 37 | 45 |
40 | - | 0.75 | 1.5 | 3 | 4 | 5.5 | 7.5 | 11 | 15 | 22 | 30 | 45 |
45 | - | - | - | 2.2 | 3 | 4 | 7.5 | 11 | 15 | 18.5 | 22 | 37 |
50 | - | - | - | - | 3 | 4 | 7.5 | - | 11 | 18.5 | 22 | 30 |
56 | - | - | - | - | 3 | 4 | - | 7.5 | 11 | 15 | 22 | 30 |
63 | - | - | - | - | 2.2 | 3 | 4 | 5.5 | 11 | 15 | 18.5 | 22 |
71 | - | - | - | - | - | 3 | 4 | 5.5 | 7.5 | 11 | 18.5 | 22 |
80 | - | - | - | - | - | 3 | 4 | 5.5 | 7.5 | 11 | 15 | 22 |
90 | - | - | - | - | - | - | 3 | 4 | 7.5 | - | 15 | 18.5 |
100 | - | - | - | - | - | - | 3 | 4 | - | 7.5 | 11 | 15 |
注:帶“△”者須校核熱功率。
電機同步轉速:n1=1500r/min
選用系數K=2
公稱 傳動比 i | 規 格 | |||||||||||
50 | 63 | 80 | 100 | 112 | 125 | 140 | 160 | 180 | 200 | 224 | 250 | |
公稱輸入功率P1(kW) | ||||||||||||
14 | 1.1 | 1.5 | 3 | 5.5 | 7.5 | 11 | 15 | 22 | 37△ | 45△ | 55△ | 90△ |
16 | 0.75 | 1.5 | 2.2 | 5.5 | 7.5 | 11 | 15 | 18.5 | 30 | 37 | 55△ | 75△ |
18 | 0.75 | 1.1 | 2.2 | 4 | 5.5 | 7.5 | 11 | 15 | 30 | 37 | 45 | 75△ |
20 | 0.75 | 1.1 | 1.5 | 4 | 5.5 | 7.5 | 11 | 15 | 22 | 30 | 45 | 55 |
22.4 | 0.55 | 1.1 | 1.5 | 3 | 5.5 | 7.5 | 11 | 15 | 22 | 30 | 45 | 55 |
25 | 0.55 | 0.75 | 1.5 | 3 | 5.5 | 7.5 | - | 11 | 22 | - | 37 | 55 |
28 | 0.55 | 0.75 | 1.5 | 3 | 4 | 5.5 | 7.5 | 11 | 18.5 | 22 | 30 | 45 |
31.5 | - | 0.75 | 1.5 | 2.2 | 4 | 5.5 | 7.5 | 11 | 15 | 22 | 30 | 37 |
35.5 | - | 0.55 | 1.1 | 2.2 | 3 | 5.5 | 7.5 | - | 15 | 18.5 | 22 | 37 |
40 | - | 0.55 | 1.1 | 2.2 | 3 | 4 | 5.5 | 7.5 | 11 | 15 | 22 | 30 |
45 | - | - | - | 1.5 | 3 | 4 | 5.5 | 7.5 | 11 | 15 | 22 | 30 |
50 | - | - | - | 1.5 | 2.2 | 3 | 4 | 5.5 | 11 | - | 18.5 | 22 |
56 | - | - | - | 1.5 | 2.2 | 3 | 4 | 5.5 | 7.5 | 11 | 15 | 22 |
63 | - | - | - | - | 1.5 | 2.2 | 4 | 5.5 | 7.5 | - | 15 | 18.5 |
71 | - | - | - | - | 1.5 | 2.2 | 3 | 4 | 7.5 | - | 11 | 18.5 |
80 | - | - | - | - | 1.5 | 2.2 | 3 | 4 | 5.5 | 7.5 | 11 | 15 |
90 | - | - | - | - | - | - | 3 | 4 | 5.5 | 7.5 | 11 | 15 |
100 | - | - | - | - | - | - | - | 3 | 4 | 5.5 | 7.5 | 11 |
注:帶“△”者須校核熱功率。
電機同步轉速:n1=1500r/min
選用系數K=3
公稱 傳動比 i | 規 格 | |||||||||||
50 | 63 | 80 | 100 | 112 | 125 | 140 | 160 | 180 | 200 | 224 | 250 | |
公稱輸入功率P1(kW) | ||||||||||||
14 | 0.55 | 1.1 | 2.2 | 4 | 5.5 | 7.5 | 11 | 15 | 22 | 30 | 45 | 55 |
16 | 0.55 | 1.1 | 1.5 | 3 | 5.5 | 7.5 | 11 | - | 18.5 | 22 | 37 | 45 |
18 | 0.55 | 0.75 | 1.5 | 3 | 4 | 5.5 | 7.5 | 11 | 18.5 | 22 | 30 | 45 |
20 | - | 0.75 | 1.1 | 2.2 | 4 | 5.5 | 7.5 | 11 | 15 | 22 | 30 | 37 |
22.4 | - | 0.75 | 1.1 | 2.2 | 4 | 5.5 | 5.5 | 7.5 | 11 | 18.5 | 30 | 37 |
25 | - | 0.55 | 1.1 | 2.2 | 3 | 4 | 5.5 | 7.5 | 11 | 18.5 | 22 | 30 |
28 | - | 0.55 | 1.1 | 2.2 | 3 | 4 | 5.5 | 7.5 | 11 | 15 | 22 | 30 |
31.5 | - | 0.55 | - | 1.5 | 2.2 | 4 | 4 | 7.5 | 11 | 15 | 18.5 | 22 |
35.5 | - | - | - | 1.5 | 2.2 | 3 | 4 | 5.5 | 7.5 | 11 | 18.5 | 22 |
40 | - | - | - | 1.5 | 2.2 | 3 | 4 | 5.5 | 7.5 | 11 | 15 | 22 |
45 | - | - | - | 1.1 | 1.5 | 2.2 | 3 | 4 | 7.5 | - | 11 | 18.5 |
50 | - | - | - | 1.1 | 1.5 | 2.2 | 3 | 4 | 5.5 | 7.5 | 11 | 15 |
56 | - | - | - | - | 1.5 | 2.2 | 2.2 | 4 | 5.5 | 7.5 | 11 | 15 |
63 | - | - | - | - | 1.1 | - | 2.2 | 3 | 5.5 | - | 7.5 | 11 |
71 | - | - | - | - | 1.1 | - | 2.2 | 3 | 4 | 5.5 | 7.5 | 11 |
80 | - | - | - | - | 1.1 | - | - | 2.2 | 4 | 5.5 | 7.5 | 11 |
90 | - | - | - | - | - | - | - | 2.2 | 4 | - | 7.5 | - |
100 | - | - | - | - | - | - | - | 2.2 | 3 | 4 | 5.5 | 7.5 |

掃一掃咨詢微信客服